热门搜索:
pwi
KIC

深圳市拓邦特机电有限公司

零件成型机 SMHL-301U
创建人: 陈国富
关键词: 电阻成型机
产品厂商: SMtech
产品型号: SMHL-301U

参数:

size:L430*W300*H280m/m

Weight:8kgs

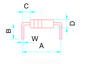
特性:本机轻巧、操作方便、不受空间限制,对电阻及二极体之切断及折曲加工能力强,

每小时产量可达40000-60000个零件,经济性高不受外来因素影响(如停电).

可安装,夹工桌台边

来料方式:



视频号
版权所有© 深圳市拓邦特机电有限公司
动态
关于拓邦特
六项工艺
一个中心
分享
支持 反馈 订阅 数据